- 30-day returns
- Fast shipping
- Secure payments
- Over 300,000 products
category:
Hydraulics & Pneumatics & Plumbing
country_of_origin:
China and Other Countries
manufacturer:
Brennan
mpn:
1927-61-24-24
subcategory:
Fittings/Hoses/Adapters
type:
Flange Fittings
Product Description
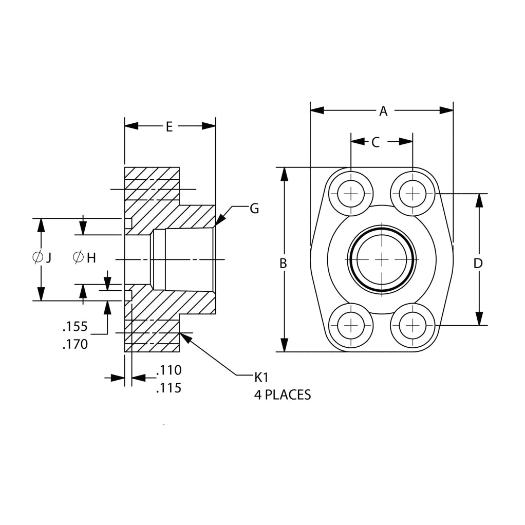
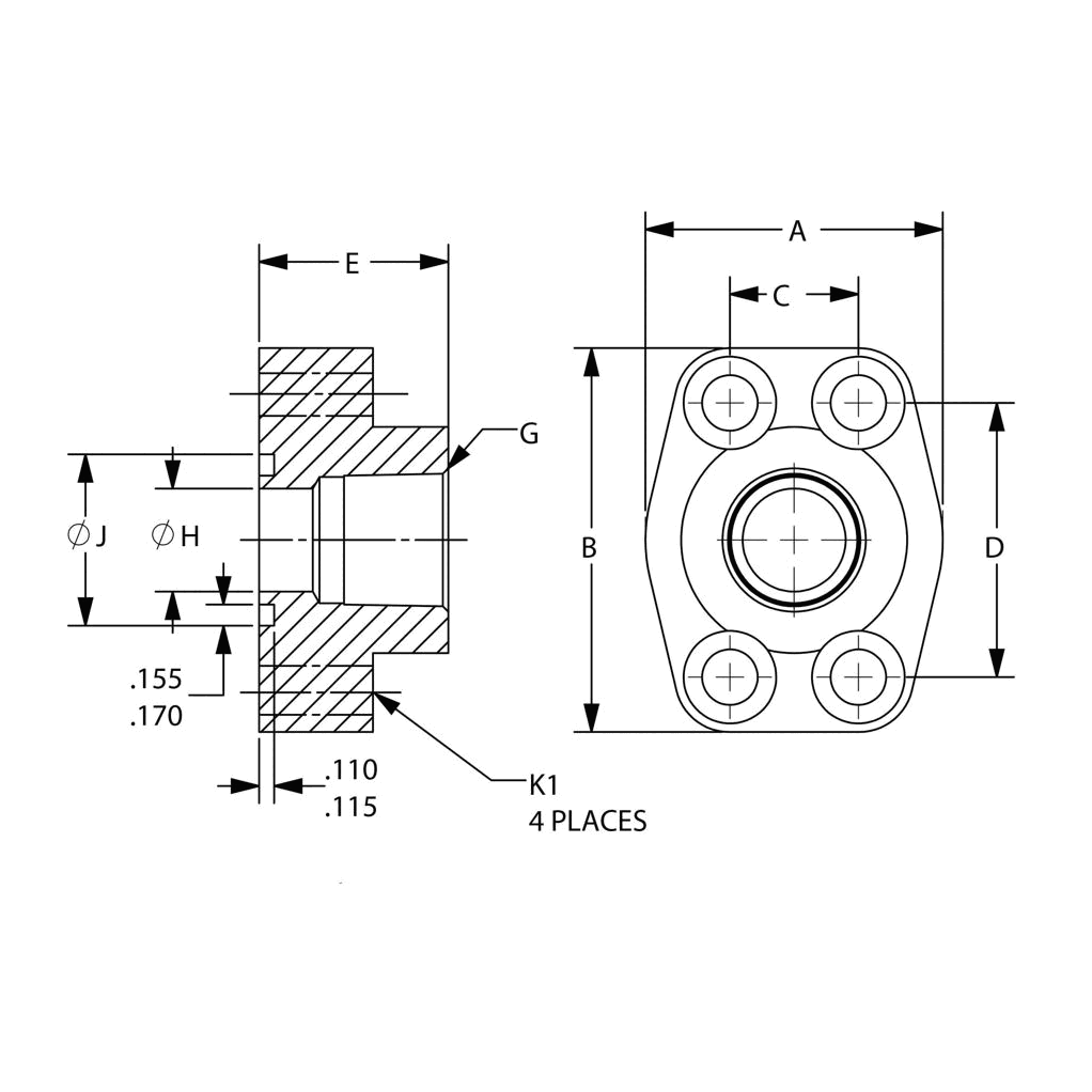
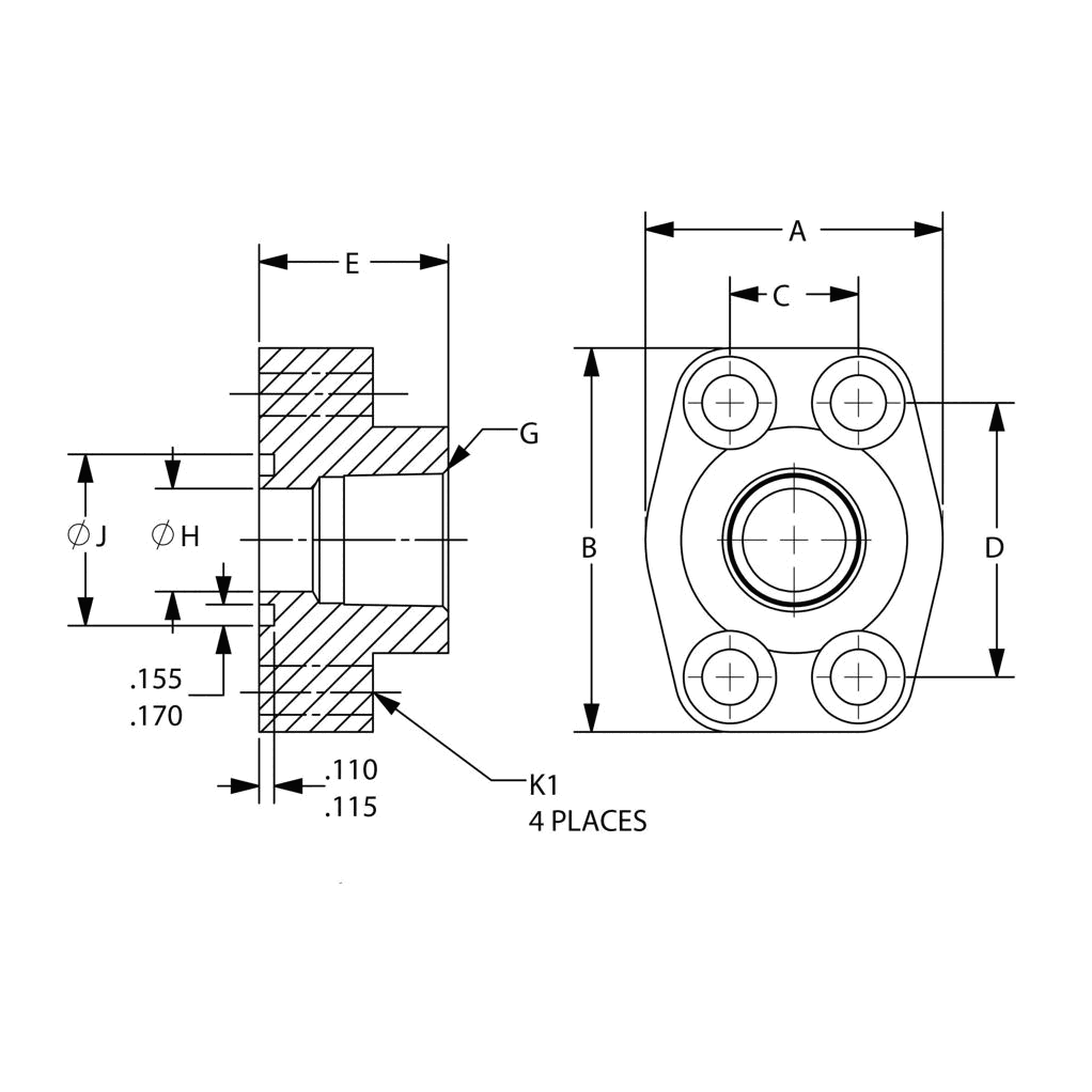
Brennan - 1927-61-24-24 NPTF Port Block – Code 61 (O-Ring Face)
Additional Information
PIPE SIZE1 1/2
FLANGE SIZE1 1/2
A3.25
B3.81
C1.406
D2.750
E1.75
G NPTF1 1/2-11 1/2
H1.50
J MIN2.115
J MAX2.125
K1 DRILL0.531
K2 THD.1/2-13
MATERIALSTEEL
ConnectionsNPT, Flange
ShapeOther
