- 30-day returns
- Fast shipping
- Secure payments
- Over 300,000 products
category:
Hydraulics & Pneumatics & Plumbing
country_of_origin:
China and Other Countries
manufacturer:
Brennan
mpn:
1927-61-48-48
subcategory:
Fittings/Hoses/Adapters
type:
Flange Fittings
Product Description
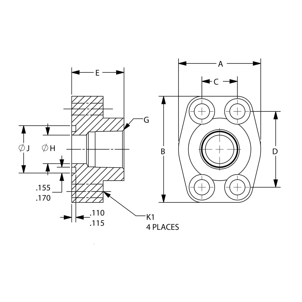
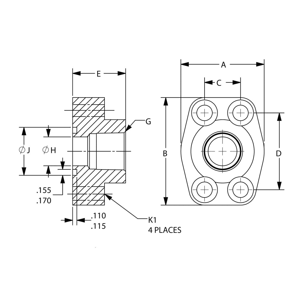
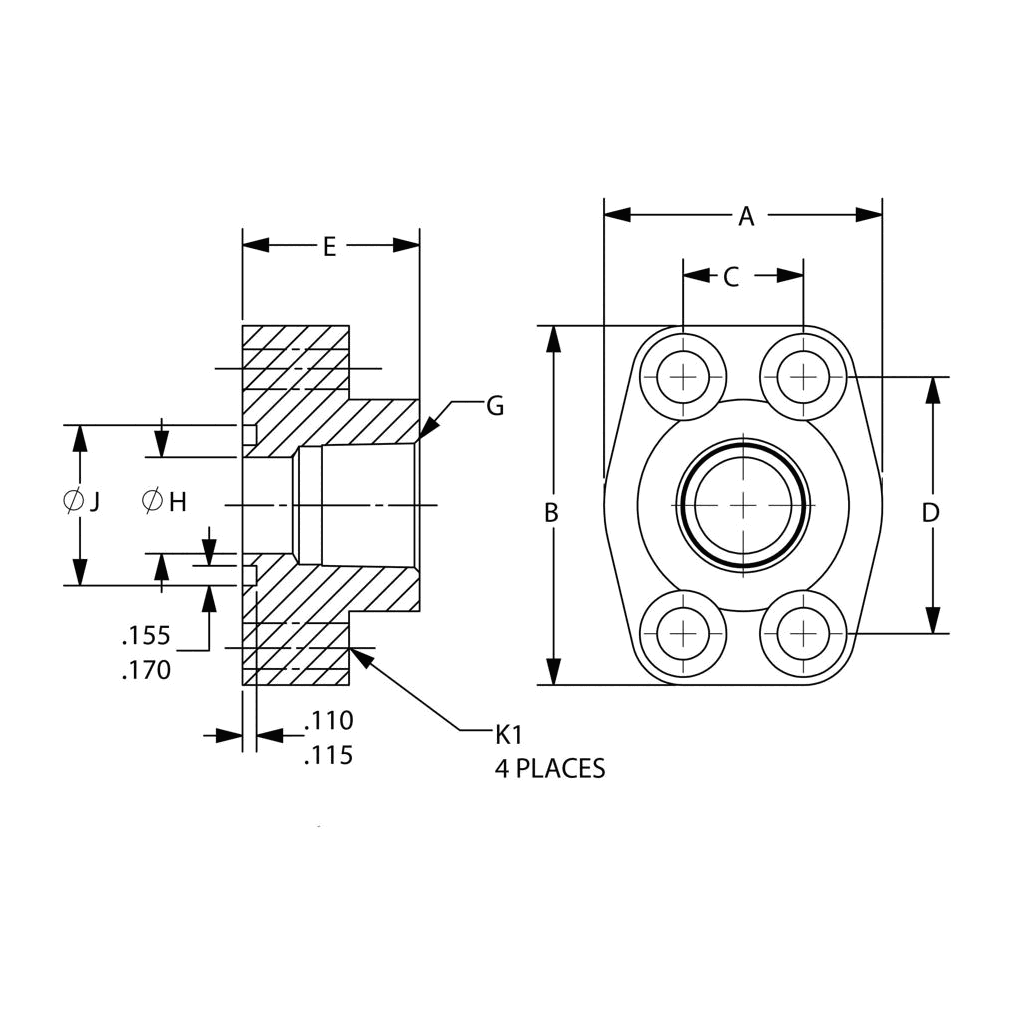
Brennan - 1927-61-48-48 NPTF Port Block – Code 61 (O-Ring Face)
Additional Information
PIPE SIZE3
FLANGE SIZE3
A5.16
B5.44
C2.438
D4.188
E2.25
G NPTF3-8
H3.00
J MIN3.615
J MAX3.625
K1 DRILL0.656
K2 THD.5/8-11
MATERIALSTEEL
ConnectionsNPT, Flange
ShapeOther
