- 30-day returns
- Fast shipping
- Secure payments
- Over 300,000 products
category:
Hydraulics & Pneumatics & Plumbing
country_of_origin:
China and Other Countries
manufacturer:
Brennan
mpn:
1927-62-12-12
subcategory:
Fittings/Hoses/Adapters
type:
Flange Fittings
Product Description
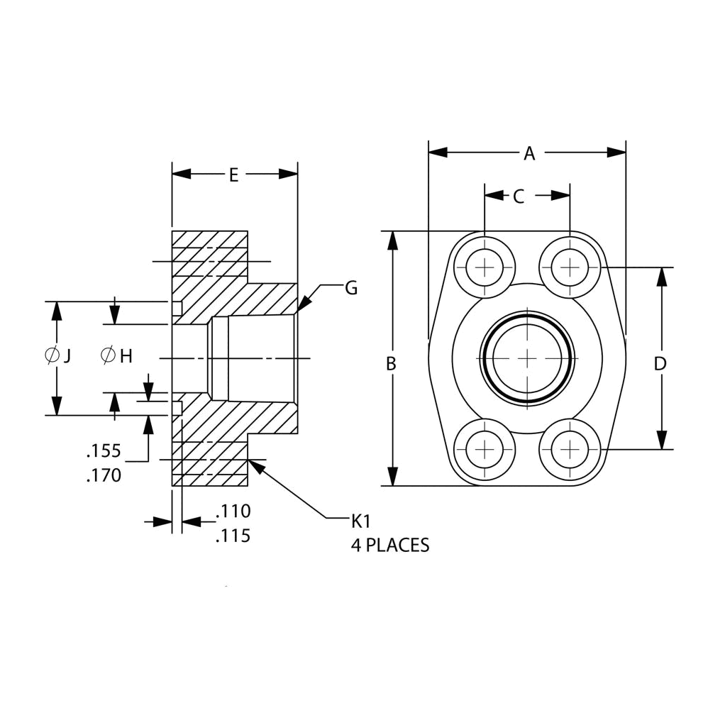
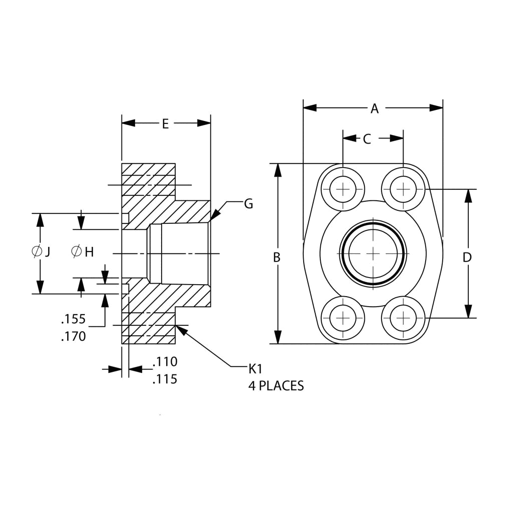
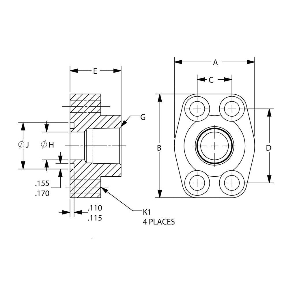
Brennan - 1927-62-12-12 NPTF Port Block – Code 62 (O-Ring Face)
Additional Information
PIPE SIZE3/4
FLANGE SIZE3/4
A2.38
B2.81
C0.937
D2.000
E1.25
G NPTF3/4-14
H0.75
J MIN1.250
J MAX1.255
K1 DRILL0.406
K2 THD.3/8-16
MATERIALSTEEL
ConnectionsNPT, Flange
ShapeOther
