- 30-day returns
- Fast shipping
- Secure payments
- Over 300,000 products
category:
Hydraulics & Pneumatics & Plumbing
country_of_origin:
China and Other Countries
manufacturer:
Brennan
mpn:
1927-62-20-20
subcategory:
Fittings/Hoses/Adapters
type:
Flange Fittings
Product Description
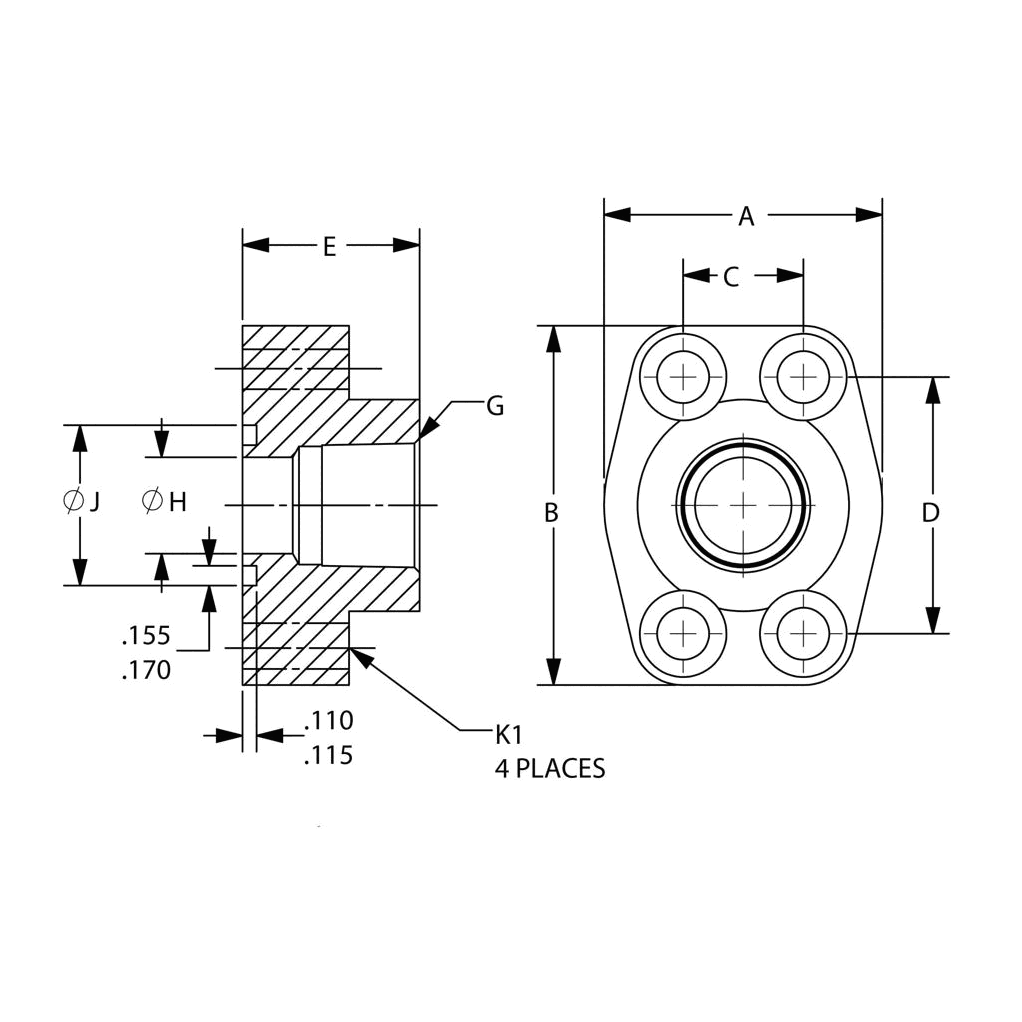
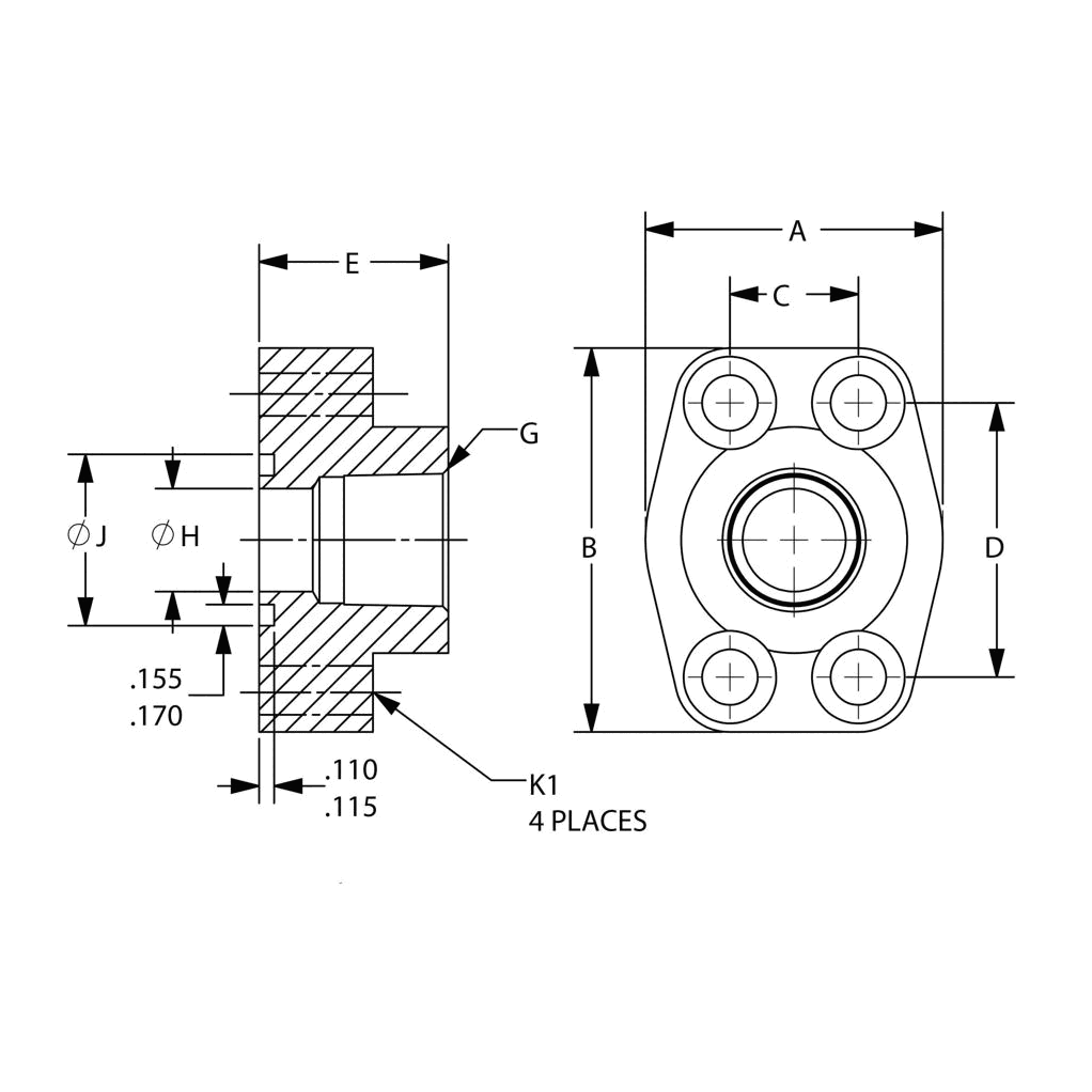
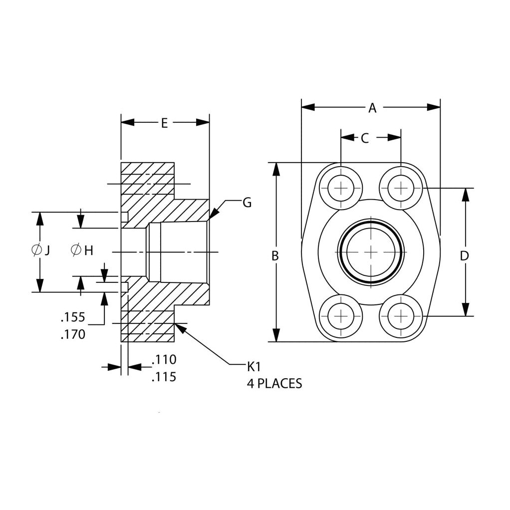
Brennan - 1927-62-20-20 NPTF Port Block – Code 62 (O-Ring Face)
Additional Information
PIPE SIZE1 1/4
FLANGE SIZE1 1/4
A3.06
B3.75
C1.25
D2.625
E1.50
G NPTF1 1/4-11 1/2
H1.25
J MIN1.750
J MAX1.755
K1 DRILL0.531
K2 THD.1/2-13
MATERIALSTEEL
ConnectionsNPT, Flange
ShapeOther
