- 30-day returns
- Fast shipping
- Secure payments
- Over 300,000 products
category:
Hydraulics & Pneumatics & Plumbing
country_of_origin:
China and Other Countries
manufacturer:
Brennan
mpn:
1935-62-16-16
subcategory:
Fittings/Hoses/Adapters
type:
Flange Fittings
Product Description
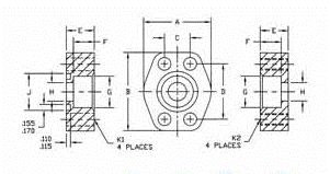
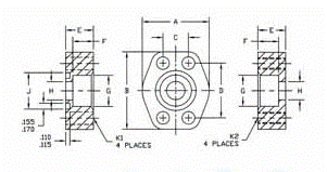
Brennan - 1935-62-16-16 Flat Socket Block Pipe Code 62 (O-Ring Face)
Additional Information
PIPE SIZE1
FLANGE SIZE1
A2.75
B3.19
C1.093
D2.250
E1.50
F0.630
G1.328
H1.00
J MIN1.560
J MAX1.565
K1 DRILL0.469
K2 THREAD7/16-14
MATERIALSTEEL
ConnectionsFlange
ShapeOther
