- 30-day returns
- Fast shipping
- Secure payments
- Over 300,000 products
category:
Hydraulics & Pneumatics & Plumbing
country_of_origin:
China and Other Countries
manufacturer:
Brennan
mpn:
1936-62-08-08
subcategory:
Fittings/Hoses/Adapters
type:
Flange Fittings
Product Description
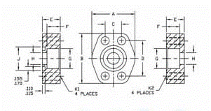
Brennan - 1936-62-08-08 Flat Socket Block Pipe Code 62 (Flat Face)
Additional Information
PIPE SIZE1/2
FLANGE SIZE1/2
A1.94
B2.30
C0.718
D1.594
E0.57
F0.560
G0.855
H0.50
J MIN1.000
J MAX1.005
K1 DRILL0.344
K2 THREAD5/16-18
MATERIALSTEEL
ConnectionsFlange
ShapeOther
