- 30-day returns
- Fast shipping
- Secure payments
- Over 300,000 products
category:
Hydraulics & Pneumatics & Plumbing
country_of_origin:
China and Other Countries
manufacturer:
Brennan
mpn:
1936-62-24-24
subcategory:
Fittings/Hoses/Adapters
type:
Flange Fittings
Product Description
Brennan - 1936-62-24-24 Flat Socket Block Pipe Code 62 (Flat Face)
Additional Information
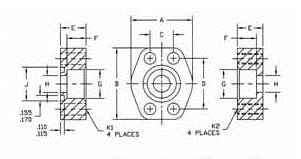
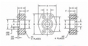
PIPE SIZE1-1/2
FLANGE SIZE1-1/2
A3.75
B4.44
C1.437
D3.125
E1.75
F0.750
G1.922
H1.50
J MIN2.115
J MAX2.125
K1 DRILL0.656
K2 THREAD5/8-11
MATERIALSTEEL
ConnectionsFlange
ShapeOther
