- 30-day returns
- Fast shipping
- Secure payments
- Over 300,000 products
category:
Hydraulics & Pneumatics & Plumbing
country_of_origin:
China and Other Countries
manufacturer:
Brennan
mpn:
1936-62-48-48
subcategory:
Fittings/Hoses/Adapters
type:
Flange Fittings
Product Description
Brennan - 1936-62-48-48 Flat Socket Block Pipe Code 62 (Flat Face)
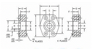
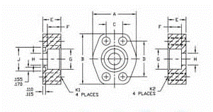
Additional Information
PIPE SIZE3
FLANGE SIZE3
A7.00
B8.50
C2.812
D6.000
E2.62
F1.250
G3.547
H3.00
J MIN3.615
J MAX3.625
K1 DRILL1.156
K2 THREAD11/8-7
MATERIALSTEEL
ConnectionsFlange
ShapeOther
