- 30-day returns
- Fast shipping
- Secure payments
- Over 300,000 products
category:
Hydraulics & Pneumatics & Plumbing
country_of_origin:
China and Other Countries
manufacturer:
Brennan
mpn:
1938-62-16-12
subcategory:
Fittings/Hoses/Adapters
type:
Flange Fittings
Product Description
Brennan - 1938-62-16-12 Flat Socket Block Tube Code 62 (Flat Face)
Additional Information
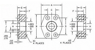
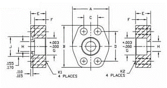
PIPE SIZE1
FLANGE SIZE3/4
A2.38
B2.81
C0.937
D2.000
E1.25
F0.560
G1.002
H0.75
J MIN1.250
J MAX1.255
K1 DRILL0.406
K2 THREAD3/8-16
MATERIALSTEEL
ConnectionsTube, Flange
ShapeOther
