- 30-day returns
- Fast shipping
- Secure payments
- Over 300,000 products
category:
Hydraulics & Pneumatics & Plumbing
country_of_origin:
China and Other Countries
manufacturer:
Brennan
mpn:
1938-62-36-32
subcategory:
Fittings/Hoses/Adapters
type:
Flange Fittings
Product Description
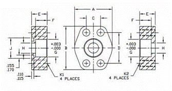
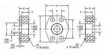
Brennan - 1938-62-36-32 Flat Socket Block Tube Code 62 (Flat Face)
Additional Information
PIPE SIZE2-1/4
FLANGE SIZE2
A4.50
B5.25
C1.750
D3.812
E1.75
F0.875
G2.252
H2.00
J MIN2.490
J MAX2.500
K1 DRILL0.781
K2 THREAD3/4-10
MATERIALSTEEL
ConnectionsTube, Flange
ShapeOther
