- 30-day returns
- Fast shipping
- Secure payments
- Over 300,000 products
category:
Accessories
manufacturer:
Elkay
mpn:
28904C
subcategory:
Wall Panel & Plates
weight:
2
Product Description
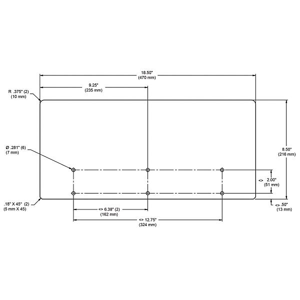
Elkay - 28904C We are always looking for ways to make great products even better. Superior quality and popular features allow our customers to find their perfect drinking solutions. Our products are ideal for medical facilities, schools and universities, office buildings, airports, shopping malls, sports arenas and other high-traffic venues, for both indoor and outdoor installations.
Features
- Stainless steel panel designed as a splash guard to be mounted directly above your water cooler.
- For use with EZ models.
Additional Information
MaterialStainless Steel
TypeWall Panels + Plates
PowerNo Electrical Required
DimensionsL: 20",W: 2",H: 9"
Application TypeOffice + Other
Shipping DimensionsL: 20",W: 2",H: 9"
Shipping Weight2 LBS
Included with ProductPanel
Country Of OriginUSA
FamilyAccess/Wall Panels
NoteFor use with EZ style models.
