- 30-day returns
- Fast shipping
- Secure payments
- Over 300,000 products
category:
Sockets And Socket Sets
country_of_origin:
Germany
data_sheet:
https://cdn.dualityjs.com/api/download/stahlwille/mam/2024/10/6a/35708b45-ee51-4a09-8cbc-19effcdb57aa.pdf?filename=STAHLWILLE_01530022_40%2520AD%252011-32_us.pdf
manufacturer:
Stahlwille
mpn:
1530022
subcategory:
Sockets
type:
Bi-Hex Sockets
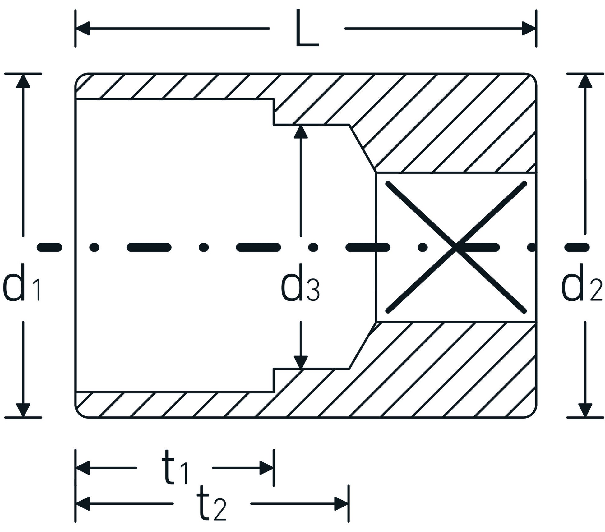
Product Description
Stahlwille - 1530022
Features
High Performance Quality (HPQ®)Our HPQ® tool is made of wear-resistant high-performance steel, yet is thin-walled and lightweight. It withstands high torques and is ideal for work in confined spaces such as turbines.
Properties
- ASME B 107.1, Fed. Spec. GGG-W-641, SAE AS 954-E (test values)
- HPQ® heavy-duty steel, chrome-plated

Data Sheet