- 30-day returns
- Fast shipping
- Secure payments
- Over 300,000 products
category:
Sockets And Socket Sets
country_of_origin:
Germany
data_sheet:
https://cdn.dualityjs.com/api/download/stahlwille/mam/2024/10/dd/78936b4c-63bb-42af-b707-0b16d028cd3c.pdf?filename=STAHLWILLE_02020208_46%252020%252C8%2520-%252013-16_us.pdf
manufacturer:
Stahlwille
mpn:
2020208
subcategory:
Sockets
type:
Bi-Hex Sockets
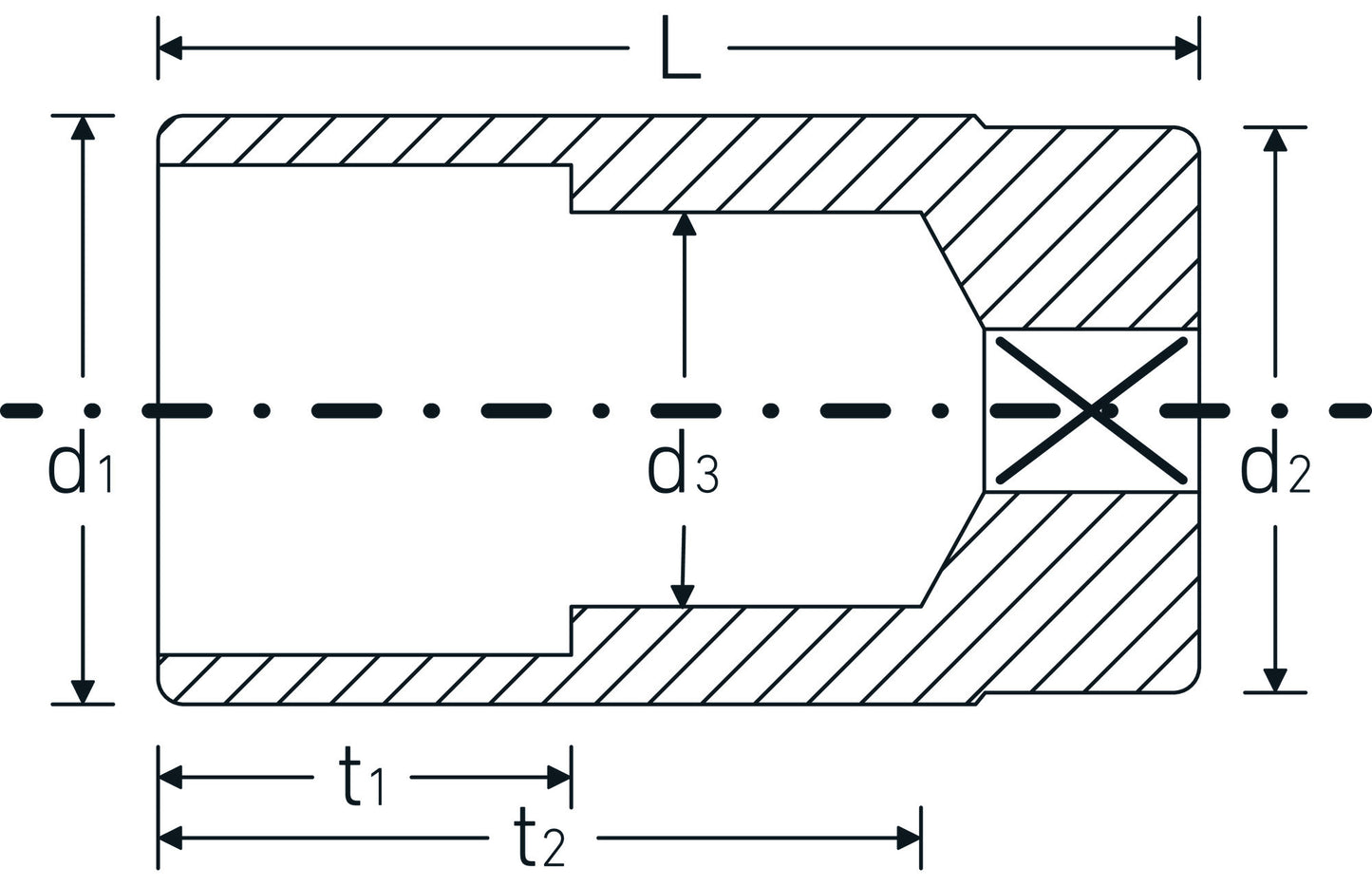
Product Description
Stahlwille - 2020208
- Long
Features
High Performance Quality (HPQ®)Our HPQ® tool is made of wear-resistant high-performance steel, yet is thin-walled and lightweight. It withstands high torques and is ideal for work in confined spaces such as turbines.
Properties
- long version
- bi-hex with AS-Drive profile
- 3/8" internal square drive
- HPQ® high performance steel, chrome-plated
- size 20.8: with rubber insert for spark plugs
- DIN 3124 / ISO 2725-1 / DIN EN 3710 / DIN EN 3709 / ASME B 107.5M

Data Sheet