- 30-day returns
- Fast shipping
- Secure payments
- Over 300,000 products
category:
Sockets And Socket Sets
country_of_origin:
Germany
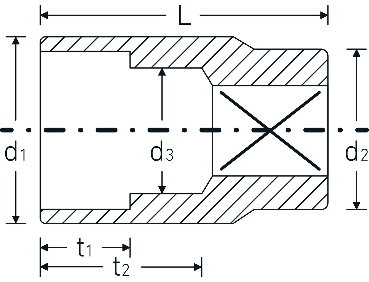
data_sheet:
https://cdn.dualityjs.com/api/download/stahlwille/mam/2024/10/da/a8885ecb-2dbf-468c-8544-6c7da9e8d99b.pdf?filename=STAHLWILLE_02410042_45%2520A%252013-16_us.pdf
manufacturer:
Stahlwille
mpn:
2410042
subcategory:
Sockets
type:
Bi-Hex Sockets
Product Description
Stahlwille - 2410042
Features
High Performance Quality (HPQ®)Our HPQ® tool is made of wear-resistant high-performance steel, yet is thin-walled and lightweight. It withstands high torques and is ideal for work in confined spaces such as turbines.
Properties
- ASME B 107.1, Fed. Spec. GGG-W-641, SAE AS 954-E (test values)
- HPQ® heavy-duty steel, chrome-plated

Data Sheet